HSS Bolted Connections: Keep It Together With a Bolt of Confidence
By Mike Manor, PE, MLSE
Technical Consultant, Steel Tube Institute
March 2026


Bolted connections in steel construction with Hollow Structural Section (HSS) members are a viable option for many cases. From a constructability and cost standpoint, field connections with bolts are generally preferred over welded connections. There is an abundance of HSS connection possibilities with bolts, including shear connections, splice connections, brace connections, through-bolt connections, and connections with alternative blind structural fasteners. This article covers many cases (though not an exhaustive list) where bolts have successfully provided construction-friendly connections of HSS members. The details shown throughout the article are available for use with similar configurations to what is shown or to serve as inspiration for designers working with unique connection situations. Stick around to the end for a design example demonstrating additional limit states required for some cases when constructing with HSS.
This article introduces key concepts, practical considerations, and design possibilities for bolted HSS connections. For a deeper dive, each section lists resources that provide more in-depth guidance on the topic.
HSS Bolted Connection Types and Details
Shear Connections

Bolted connections work well when HSS columns support steel beams of various shapes such as wide flanges (WF), channels, or HSS. As shown in Figure 1, standard simple shear bolted connections for WF beams from Part 10 of the AISC Steel Manual can be used, such as shear tabs, single angles, and double angles. Note that HSS wall slenderness checks are required in some cases. Additionally, WT connectors with flanges shop-welded to the HSS column and bolted through the web are an option (see Figure 2).

For these simple shear connections, the geometry of the connection element and the HSS face must be coordinated to ensure compatibility of welds on the flat vs. at the corner radius. Figures 1 and 2 demonstrate connection variations for wide vs. narrow HSS columns. The strength of the bolts depends on the number of shear planes, which is determined by the number of connection elements. For example, shear tabs, single angles, and WTs have a single shear plane, while double angles have two shear planes.

When there is an HSS beam, an end tee connection, with either a WT or built-up plates, can be welded to the end of the HSS tube and bolted to a shear tab on the column (see Figure 3). Double end plates (Figure 4) provide a bolted simple shear connection option to support an HSS beam when adequate space is available and works with the architectural design. Additionally, this connection can provide torsional resistance, if needed, for cases such as spandrel beams or wind girts.
Resources for additional shear connection information:
- AISC Design Guide 24 Second Edition (Link)
- STI HSS Design Manual Volume 3 (Link)
- STI Limit States Table (Link)
- AISC Steel Construction Manual 16th Edition Part 10 page 10-95
- AISC Design Guide 24 Second Edition (Link)
Splice Connections
HSS sections are commonly used as tension/compression members in braced frames, moment frames, and trusses. Often, frames and trusses are too large to be shipped to the construction site in one piece and require field splices to connect the pieces together. A common misconception is that HSS field splices require welding, but in reality, there are many bolting options available for HSS splices for axial load as well as flexural moment loads.

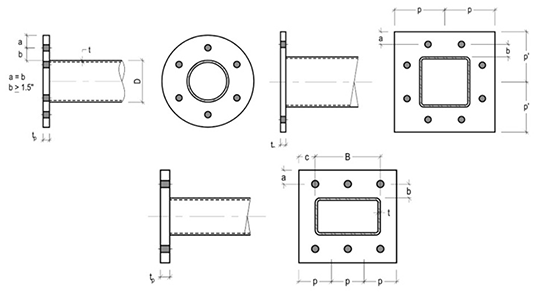
The simplest splice for construction is the end plate splice shown in Figure 5. Plates are shop-welded to the ends of both HSS members being spliced with bolts connecting the two plates together. In this case, the bolts resist tension when the HSS members are in tension or under flexure. The end plates resist flexure created by the eccentricity between the bolts and HSS wall. Bolt prying must be considered.

Bolts can also be loaded in shear through splice plates located either inside or outside of the HSS member. Figures 6 through 9 demonstrate possibilities for internal or external splice plates. Bolts installed in the HSS side wall, such as in Figure 6, require either a fabricated hole in the HSS for access to both sides of the bolt or alternate blind structural fasteners (see Figure 9 and section below in this article for more information) that can be installed from one side only.
When the design requires a hidden splice, Figures 7 and 10 provide internal splice options that include covers. Figure 7 has internal splice plates that are shop-welded inside the tube. The size of HSS member will determine how much weld length is accessible for the plate inside the tube. Figure 10 uses a proprietary splice cast from steel with the installed bolts resisting tension similarly to the end plate splices.


Resources for additional splice connection information:

- STI HSS Design Manual Volume 4 (Link)
- STI HSS Reference Guide No. 3: HSS Column/Chord Splice Connections (Link)
- AISC Design Guide 24 Second Edition (Link)
- STI Articles:
- HSS Column Splices (Link)
- Bolted HSS Splice Plate Connection Example (Link)
- HSS Splice Design Part 2: Simplifying HSS Field Splices With One-Sided Bolting (Link)
- HSS Splice Design Part 3: Rectangular HSS Bolted End-Plate Connections Under Bending Moment (Link)
- Round HSS Bolted End-Plate Connections Under Bending Moment (Link)
- HSS Blind Structural Fasteners (Link)
- New Concepts for Bolted HSS Column Splices (Link)

(Images Courtesy of Cast Connex)
Brace Connections

HSS members have a high compressive-capacity-to-weight ratio and are often used as brace members in braced frames. Transferring the brace axial load to the frame is critical. Connection options include a single gusset plate centered on the beams/columns of the frame or a pair of external gusset plates attaching to the outside faces of the frame members. Typically, the brace and connection are contained within the width of the frame to avoid interference with cladding and other adjacent framing members.
Bolting to a gusset plate that is in line with the brace closely resembles some of the splice/stem plate connection options noted previously. Internal splice/stem plates and end tee connections (Figures 11 and 12) are very common; however, it is not possible for both the gusset plate and splice/stem plate to be centered on the frame and brace.


This introduces a small eccentricity that must be accounted for. To eliminate the eccentricity, an option is the forked end tee (Figure 11) that uses two splice/stem plates. Forked tee connections have an added benefit of two shear planes at the bolts, allowing for a smaller number of bolts and a shorter connection length.
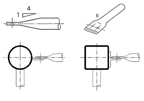
Alternate bolted brace connection options include flattening the ends of the brace (Figure 13) and proprietary end connectors cast from steel (Figure 14). Flattening the end of the brace is generally reserved for round HSS. The benefits of a flattened brace include eliminating the need for connection plates and shop welds. Secondly, the bolts directly engage the brace, reducing the effects of shear lag, but the connection eccentricity remains. Similar to the forked tee noted above, there are cast steel products available (Figure 14) that allow more flexibility of the connection layout while eliminating shear lag.

Resources for additional shear connection information:
- STI HSS Design Manual Volume 4 (Link)
- AISC Design Guide 24 Second Edition (Link)
- CIDECT Design Guide 1 Second Edition
- CIDECT Design Guide 3 Second Edition
- STI Articles:
- Connecting to Structural Castings (Link)
Through-Bolt Connections

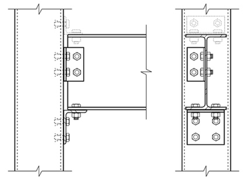
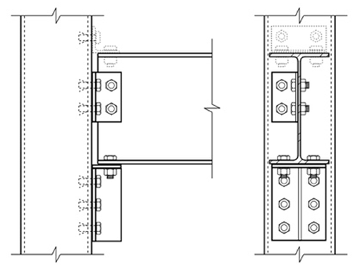
When connecting HSS members to other steel elements, standard bolt connections may not always be applicable to the design based on connection geometry, accessibility, member strength, or other factors. Through-bolts offer a viable alternative. Figures 15 and 16 show double shear plate options for connecting an HSS beam to an HSS column and HSS girder, respectively. Care must be taken during the design and detail of connections involving through-bolts, as they have additional design requirements to consider which are described in the next section along with more information on through-bolts.
Resources for additional through-bolt connection information:
- STI HSS Design Manual Volume 3 (Link)
- AISC Steel Construction Manual 16th Edition Part 7
- AISC Design Guide 24 Second Edition (Link)
- STI Articles:
- Connecting Hollow Structural Section Members with Through-Bolts (Link)

HSS Bolted Structural Fastener Options
Standard Bolts

The AISC Steel Construction Manual 16th Edition recommends in Table 2-6 that conventional high-strength bolts be specified to meet ASTM F3125 with either grade A325 or A490, though more options are available. These conventional bolts are intended for connecting two or more plies of steel that will be in contact once the bolt has been installed. This works great for open steel cross-section connections such as the connection of a wide flange to a plate or angle, where access is available to both the head and nut of the bolt for installation. However, closed sections require a more nuanced approach. To install bolts through the wall of an HSS member, an access hole is required (Figure 6) unless through-bolts or alternate proprietary fasteners are used instead. The following sections in this article discuss these bolting alternatives.
Through-Bolts

Through-bolts simplify the bolting of an HSS member by allowing bolt installation through a bolt hole in one wall and through a second hole on the opposite wall, allowing exterior access for installation on both sides. However, this simplicity also has its drawbacks. Alignment of the holes and installation through both holes can be difficult. Depending on the bolt grip length required (Figure 17), standard ASTM F3125 bolts have limited available lengths and will not be available for all cases. ASTM A449 bolts become an option for longer lengths, but the designer must be aware that A449 bolts are not exact equivalents to the structural grades of F3125, so be sure to review the ASTM A449 specification.

The hollow interior of HSS shapes also alters the design and installation of through-bolts by preventing the bolt installation from meeting the requirements of the snug-tight condition. According to the RCSC, snug-tight bolts require “the plies have been brought into firm contact” in addition to minimum bolt tensioning. Since through-bolts in HSS have a large gap between plies of steel, the through-bolts do not provide confinement of the steel plies and thus cannot be designed in the same manner as standard bolts. The AISC 16th Edition Steel Construction Manual Part 7 points to AISC 360-22 Specification Section J3.11b. This section covers the design for bolt tear-out, but for bolt bearing, it points to section J7 and equation J7-1.

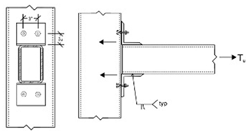
WF Beam to HSS Column Unstiffened Seat with Blind Structural Fasteners
Lastly, care must be taken for installation of through-bolts since tightening and/or pretensioning of the bolts places a load perpendicular to the HSS wall creating two additional limit state design checks for consideration. Pull-through is a shear punching check (similar to pull-out), and wall distortion is a plastification check. Both limit states are discussed in AISC Design Guide 24 2nd Edition, Chapter 4. Additionally, there is an example of these limit states (but demonstrated for blind structural fasteners) at the end of this article. If the HSS capacity is inadequate for these limit states, options include increasing the HSS thickness or providing reinforcement through-bolt sleeves (Figure 18) or other means. Reinforcement of HSS through-bolts tends to significantly increase the connection cost.
Alternate Structural Fasteners

When space is severely limited for HSS connections, or the design has specific aesthetic requirements, blind structural fasteners can take the place of standard bolts or through-bolts. These fasteners are all able to be installed with only a single tool and access from just one side of the fastener. Several types of proprietary blind structural fasteners are available, which include expansion wedge bolts, toggle fasteners, collapsible split washers, and erection aids. See Figure 9 and Figures 19 through 22. For a design example, see the following section in this article.
Resources for additional blind structural fastener information:
- AISC Steel Construction Manual 16th Edition Part 7
- AISC Design Guide 24 Second Edition (Link)
- STI Articles:

Design Example: Blind Structural Fastener Connection to HSS
Given

- HSS material: ASTM A500 Gr. C (Fy = 50 ksi, Fu = 62 ksi)
- Column: HSS8x8x3/8
- Beam: HSS8x4x1/4
- Angle Material: ASTM A36 (Fy = 36 ksi, Fu = 58 ksi)
- Angles: L4x4x3/8 x 0′-6″Shop welded to beam
- Assume thick enough to prevent prying action
- Axial wind load: tension
- Field bolt to column with blind structural fasteners
- 5/8″ Ø Carbon Steel Hollo-Bolts (LHBM16HEX)
- 3″ bolt spacing centered on HSS column face
Determine if the blind structural fasteners and HSS column are adequate for the applied tension load.
Blind Structural Fastener Tension:
Tu,bolt = 44 k/4 bolts =11 k/bolt
Hollo-bolt wind tension capacity ϕTn,bolt = 13.9 k/bolt per ESR-3330 Table 2
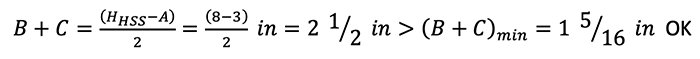
Connection Geometry:

HSS Column:
BHSS = 8 in HHSS = 8 in tnominal = 3/8 in tdesign = 0.349 in
Workable Flat = 6 5/16 in (based on 2.25tnominal corner radius)
Maximum Corner Radius = 3tnominal = 1.125 in
Hollo-bolt Geometry & Installation Requirements:
dnominal = 5/8 in. dhole = 1 1/16 in
tangle = 3/8 in > tmin = 5/16 in OK
A = 3 in > Amin = 2 13/16 in OK

B = (B + C) – tnominal = 2 1/2 in – 3/8 = 2 1/8 in > Bmin = 13/16 in OK
Verify bolt hole does not overlap corner radius

Verify clamping thickness
1/2 in < W = tnominal + tangle = 3/8 in + 3/8 in = 3/4 in < 1 1/8 in OK
HSS Limit States for Fasteners in Tension: per AISC Design Guide 24 Second Edition
HSS Limit State: Pull-Out
Shear rupture through thickness of HSS wall
dp = 1 1/16 in conservatively assume hollow bolt expanded cone is same contact diameter as the hole
ϕRn = ϕ0.6πdptdesignFu [AISC DG24 2nd Ed. Equation 4-1]

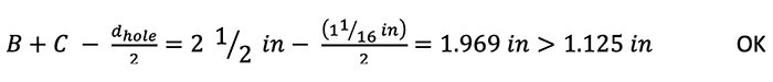
HSS Limit State: Wall Distortion

Refer to:
AISC 16th Ed. Steel Manual Figure 9-5(a)
AISC Design Guide 24 2nd Edition Figure 4-2 and Section 4.1.2
t = tdesign = 0.349 in
w = B = BHSS = 8 in
bb = 3 in
h = 0 in
n = 2 bolt columns
m = 1 bolt row
l = lb = (m – 1)h + dp = (1 – 1) * 0 in + 1 1⁄16 in = 1 1⁄16 in
c = wb = (n – 1) bb + dp = (2 – 1) * 3 in + 1 1⁄16 in = 4 1⁄16 in

Qf = 0.7 (assumed)



Angle:
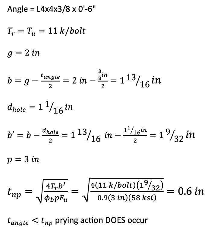
Verify assumption of no prying action.


Upsize angle to L4x4x5/8
tangle = 0.625 in > tnp = 0.6 in
Recheck clamping thickness
1⁄2 in < W = tnominal + tangle = 3⁄8 in + 5⁄8 in = 1 in < 1 1⁄8 in OK
Additional HSS Bolting Resources
Following is a list of additional HSS bolting resources not mentioned in the sections above:
- STI Webinar:
- Mastering HSS Connections: A Jolt of Bolting — How to Use Them in HSS Connections (Link)
- STI Article:
- Wide-Flange Beam to HSS Column Moment Connections (Link)
Conclusion
This collection of bolted HSS connection details consolidates the range of practical solutions available to designers working with HSS framing. Bolted connections are often the more efficient choice in the field for cost and schedule control, and as demonstrated throughout this article, HSS members accommodate more connection configurations than are commonly assumed — from basic shear and splice connections to through-bolts and blind structural fasteners. These details provide designers with proven options that can be applied directly or adapted to address less conventional conditions. With familiarity of these configurations and attention to the applicable limit states, bolted HSS connections become both practical and technically straightforward to implement.
References
STI Article: “HSS Blind Structural Fasteners” by Mike Manor, May 2021
STI Article: “Connecting Hollow Structural Section Members with Through-Bolts” by Jason McCormick, July 2017
STI Article: “Wide Flange Beam to HSS Column Moment Connections” by Jason Ericksen, October 2014
STI Webinar: “Mastering HSS Connections: A Jolt of Bolting – How to Use Them in HSS Connections” by Cathleen Jacinto, June 2025
AISC Publication: “360-22: Specification for Structural Steel Buildings”
AISC Publication: “Steel Construction Manual 16th Edition”
AISC Publication: “Design Guide 24: Hollow Structural Section Connections (Second Edition)”
Related Resources
Strength and Deformation of HSS Walls and Other Planar Elements Subject to Tension
When fasteners in tension are connected to an HSS wall or other planar element, verifying the strength and deformation of the supp…
HSS Design Manual, Volume 4: Truss & Bracing Connections
The STI HSS Design Manual, Volume 4 features HSS truss and bracing connection design examples, including connections utilizing HSS…
A Jolt of Bolting – How to Use Them in HSS Connections | Webinars On Demand
Dive into the world of bolting options for HSS. This webinar covers everything from conventional bolts and through-bolts to access…
Video | End Plate Splice Types: Key Insights to Simplify Your HSS Designs
Several types of HSS end splices are available, each offering unique advantages. In this clip, we provide an overview of bolted en…